精益求精,匠心制造10余年专注自控草莓视频APP污网站研制

服务热线021-60528933

草莓视频在线免费看草莓视频APP污网站精工铸造,品类丰富,一站式选购配套更省心
上一页
下一页

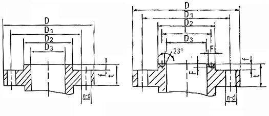
日、德标法兰

日、德标法兰

JIS 10K、16K、20K、30K、40K、63K、RF、FF 法兰尺寸表

服务热线: 021-60528933

JIS 10K、16K、20K、30K、40K、63K、RF、FF 法兰尺寸表

1

JIS 10K、RF、FF      mm

2

JIS 16K、RF、FF     mm

3

JIS 20K、RF、FF     mm

4


*t值中较小值为钢及可锻铸铁法兰;较大值为铸铁法兰。

JIS 30K、RF、FF   mm


5

JIS 40K、RF、FF

6

JIS 63K、RF、FF      mm

7

JPI 150、300、600RF、RJ法兰尺寸表

8

JPI 150RF          mm

9

JPI 300RF      mm

10

JPI 600RF      mm

11

JPI 150RJ      mm

12

JPI 300RJ     mm

13

JPI 600RJ     mm

14

德国DIN标准法兰尺寸

15

PN16(1.6MPa)     mm

16

PN40(4.0MPa)   mm

17

 注:德标尺寸与机械部标准法兰尺寸互换;新产品设计应优先采用系列1尺寸。

热品推荐 / Hot product

RW72高压草莓小视频禁止18岁

高压草莓小视频禁止18岁RW72

RW72系列不锈钢高压草莓小视频禁止18岁,不锈钢活塞压力传输,压力控制准确,用手调节上游压力,适用于纯净气体、标准气体、腐蚀性气体、液体等。
RW200精密草莓小视频禁止18岁

RW200精密草莓小视频禁止18岁

草莓视频在线免费看草莓视频APP污网站RW200精密草莓小视频禁止18岁的气室设计,其背压精度比弹簧式草莓小视频禁止18岁高5倍,可达6000Psig,精度高,稳定性好,气液两相条件下的性能优良,适用于纯净介质和腐蚀性介质。
液体草莓小视频禁止18岁LBF  液体泄压阀LAF

液体草莓小视频禁止18岁LBF 液体泄压阀LAF

LBF系列液体草莓小视频禁止18岁,采用膜片式结构,用于膜片压力传输,用于泵的出口,稳定压力,稳定流量,防止液体回流,也可以安装在支路中作泄压阀使用。与阻尼器配合使用,减小液体波动。
真空草莓小视频禁止18岁RW76

真空草莓小视频禁止18岁RW76

RW76系列真空草莓小视频禁止18岁,不锈钢膜片压力传输,压力控制准确,用于调节管道真空压力的大小,适用于标准气体、腐蚀性气体、液体等。可面板安装。

草莓视频在线免费看草莓视频APP污网站产品中心

全国服务热线

021-60528933

相关推荐资讯

直动式黄片草莓视频下载与先导式黄片草莓视频下载的区别

直动式黄片草莓视频下载与先导式黄片草莓视频下载的区别

直动式黄片草莓视频下载与先导式黄片草莓视频下载的区别是什么?草莓视频在线免费看草莓视频APP污网站告诉您!先导式黄片草莓视频下载是采用控制阀体内的启闭件的开度来调节介质的流量,将介质的压力降低,同时借助阀后压力的作用调节启闭件的开度,使阀后压力保持在一定范围内,在进口压力不断变化的情况下,保持出口压力在设定的范围内,保护其后的生活生产器具。本类草莓视频APP污网站在管......
什么是单向阀

什么是单向阀

单向阀又称止回阀或逆止阀。用于液压系统中防止油流反向流动,或者用于气动系统中防止压缩空气逆向流动。今天草莓视频在线免费看草莓视频APP污网站为您介绍一下什么是单向阀。一、简介单向阀有直通式和直角式两种。直通式单向阀用螺纹连接安装在管路上。直角式单向阀有螺纹连接、板式连接和法兰连接三种形式。液控单向阀也称闭锁阀或保压阀,它与......
草莓视频APP污网站的维护保养方式有哪些

草莓视频APP污网站的维护保养方式有哪些

草莓视频APP污网站品种及规格相当繁多,主要用于截止、导流、稳压、分流等,用途广泛。正确和有序有效的维护保养会保护草莓视频APP污网站,使草莓视频APP污网站正常发挥功能并且延长草莓视频APP污网站使用寿命。今天草莓视频在线免费看草莓视频APP污网站为您介绍一下草莓视频APP污网站的维护保养方式。日常草莓视频APP污网站维护保养1、草莓视频APP污网站应存干燥通风的室内,通路两端须堵塞。2、长期存放的草莓视频APP污网站应定期检查,清除污物,并在加工......
我国草莓视频APP污网站市场的现状及前景如何

我国草莓视频APP污网站市场的现状及前景如何

草莓视频APP污网站是工业上一种重要的流体控制设备,涉及到国民经济诸多部门,是国民经济的发展重要基础设备。今天草莓视频在线免费看草莓视频APP污网站带大家一起分析一下我国草莓视频APP污网站市场的现状及前景。经过几十年的发展,我国草莓视频APP污网站产品已经形成十几大类,在企业数量和产销量两方面均在世界上排名靠前,但大多是小规模、低层次草莓视频APP污网站的企业,产品也以中低端为主。改......
网站地图